5 важных факторов, которые выделяют клиенты в «Аверс-Авто»

Комплектуем заявки
для любой техники
Скидки
от объема заявки
Отсрочка платежа
до 30 дней
Доставка
за наш счет
Премии и бонусы
за знакомство и друзьям

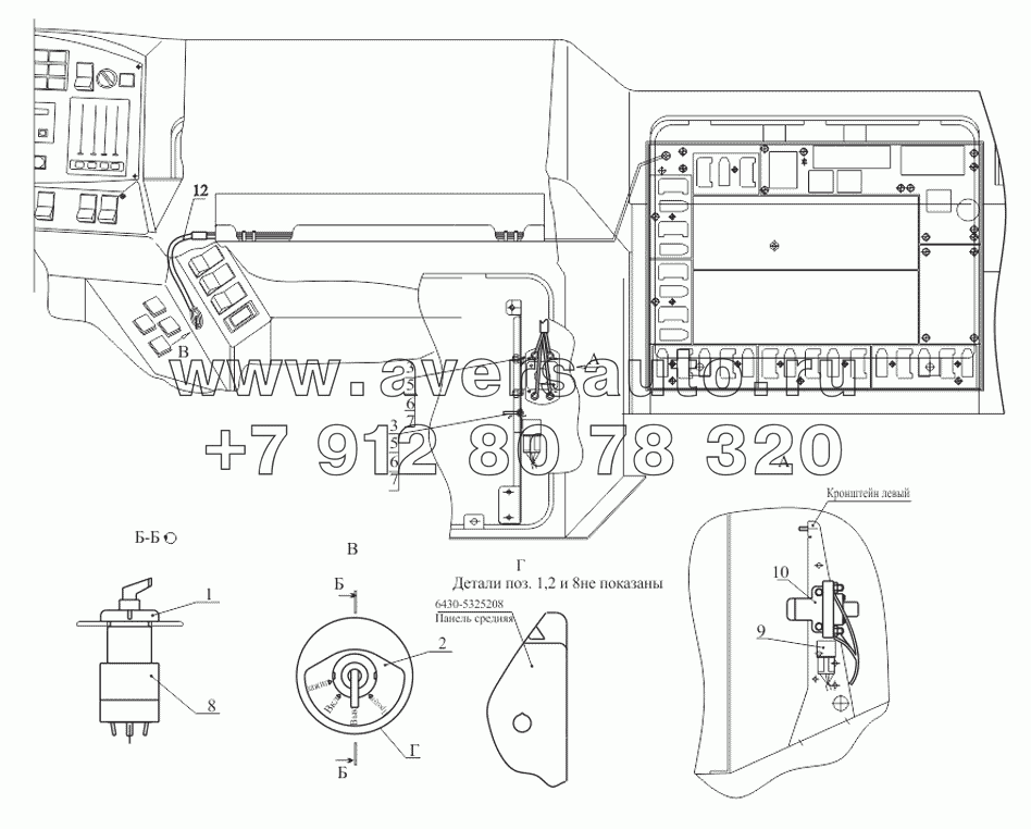
Установка электрооборудования ПЖД в кабине 641808-3700052

Установка электрооборудования ПЖД в кабине 641808-3700052

Остались вопросы? Не нашли нужную деталь?

Звоните: +7-912-807-83-20